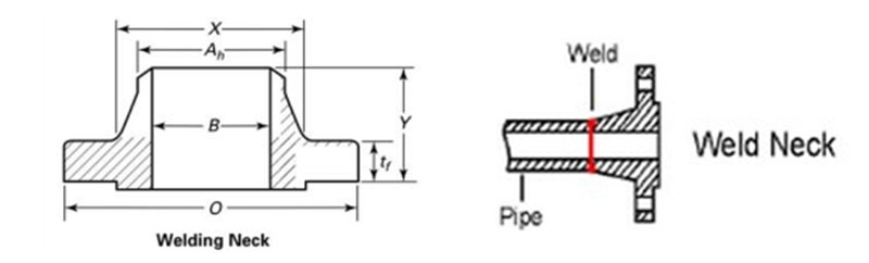
The ASME/ANSI B16.5 Welding Neck (WN) flange is a high-strength flange designed for use in high-pressure and high-temperature applications. Featuring a long tapered hub, the WN flange is welded directly to the pipe, offering exceptional stress distribution and minimizing mechanical stress at the pipe connection. It is ideal for critical applications in industries such as oil and gas, chemical processing, power generation, e altri.

Material Specifications:
Welding Neck flanges are available in a variety of materials to meet specific operational requirements:
Carbon Steel: ASTM A105, A350 LF2
Stainless Steel: ASTM A182 F304, F316, F321
Alloy Steel: ASTM A182 F11, F22
Nickel Alloys: Inconel, Monel, Hastelloy
Duplex Stainless Steel: ASTM A182 F51, F53
The choice of material ensures the flange’s suitability for extreme pressures, temperatures, and corrosive environments.
Key Features:
Tapered Hub Design: Provides smooth transition and stress distribution from the flange to the pipe.
Robust Welding Connection: Ensures a secure and leak-proof joint for critical applications.
Wide Pressure Range: Available in pressure classes from 150 to 2500.
Resistenza alla corrosione: Excellent material options for corrosive and high-temperature environments.
Dimensional Accuracy: Manufactured in compliance with ASME/ANSI B16.5 standards for precise fit and interchangeability.
Applicazioni:
Petrolio & Gas Industry: High-pressure pipelines, refineries, and offshore platforms.
Processi Chimici: Piping systems handling aggressive chemicals.
Generazione di Energia: Steam and cooling systems in thermal and nuclear power plants.
Marine and Offshore: Applications requiring high strength and durability.
Trattamento delle Acque: High-pressure water distribution and desalination systems.
Fissaggio Asiatico















